solderless ISA prototyping card


move to monday for more individual attention

We are using a solderless ISA prototyping card to interface to the microprocessor.

Each year we have
solderless breadboards signed out to each 2 groups. (a group of groups).

Each group of groups should select the identity element of their group (e.g. an individual to be the group group leader).

These boards are very nice to use, but of course, as an alternative, students are also free to purchase their own ordinary breadboards, and plug into the solderless breadboards by way of a ribbon cable system we designed:

Wiring the board

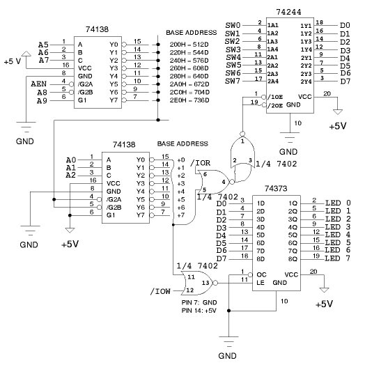
This is simple and straightforward; it should take approx. 60 minutes to assemble; follow this schematic diagram
(layed out here as if mounted on ISA breadboard, as was done last year).

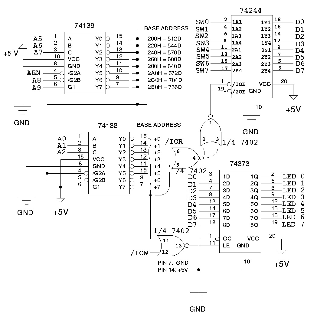
here's another diagram where it's more intuitive how the address 240 comes about:
.
(click to enlarge) Note that the above diagram is simplified, e.g. other end of switches not indicated (usually use pullup resistors, e.g. 510ohm, and ground through switches).

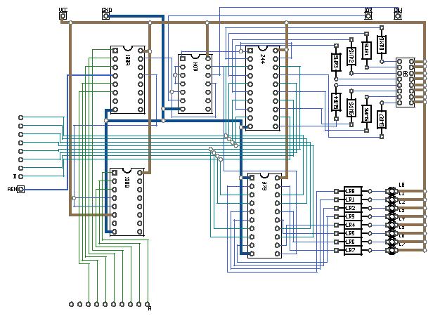
If you like the idea of using your own breadboard, it will be easier to follow this wiring diagram which includes the ribbon cable, and a suggested convention for wiring the ribbon cable.

If this is still confusing, there are some pictures from last year's boards you can look at.

be patient and assemble the board carefully:

pinouts of the ICs used in the lab.